前一页 上一层

11.7 剪力墙及连梁

11.7.1 一级抗震等级剪力墙各墙肢截面考虑地震组合的弯矩设计值,底部加强部位应按墙肢截面地震组合弯矩设计值采用,底部加强部位以上部位应接墙肢截面地震组合弯矩设计值乘增大系数,其值可取 1.2;剪力设计值应作相应调整。

11.7.2 考虑剪力墙的剪力设计值 Vw 应按下列规定计算:

  1 底部加强部位

1)9 度设防烈度的一级抗震等级剪力墙

Vw=1.1MbuaV/M    (11.7.2-1)

2)其他情况

一级抗震等级

Vw=1.6V    (11.7.2-2)

二级抗震等级

Vw=1.4V    (11.7.2-3)

三级抗震等级

Vw=1.2V    (11.7.2-4)

四级抗震等级取地震组合下的剪力设计值。

  2 其他部位

Vw=V    (11.7.2-5)

式中:Mwua

——

剪力墙底部截面按实配钢筋截面面积、材料强度标准值且考虑承载力抗震调整系数计算的正截面抗震承载力所对应的弯矩值;有翼墙时应计入墙两侧各一倍翼墙厚度范围内的纵向钢筋;

M

——

考虑地震组合的剪力墙底部截面的弯矩设计值;

V

——

考虑地震组合的剪力墙的剪力设计值。

  公式(11.7.2-1)中,Mwua 值可按本规范第 6.2.19 条的规定,采用本规范第 11.4.3 条有关计算框架柱端 Mcua 值的相同方法确定,但其 γ RE 值应取剪力墙的正截面承载力抗震调整系数。

11.7.3 剪力墙的受剪截面应符合下列要求:

  当剪跨比大于 2.5 时

Vw≤(0.2βcfcbh0)/γRE    (11.7.3-1)

  当剪跨比不大于 2.5 时

Vw≤(0.15βcfcbh0)/γRE    (11.7.3-2)

式中:Vw

——

考虑地震组合的剪力墙的剪力设计值。

11.7.4 剪力墙在偏心受压时的斜截面抗震受剪承载力应符合下列规定:

Vw≤[(0.4ftbh0+0.1NAw/A)/(λ-0.5)+0.8fyvAshh0/s]/γRE    (11.7.4)

式中:N

——

考虑地震组合的剪力墙轴向压力设计值中的较小者;当 N 大于 0.2fcbh 时取 0.2fcbh;

λ

——

计算截面处的剪跨比,λ=M/(Vh0);当 λ 小于 1.5 时取 1.5;当 λ 大于 2.2 时取 2.2;此处,M 为与设计剪力值 V 对应的弯矩设计值;当计算截面与墙底之间的距离小于 h0/2 时,应按距离墙底 h0/2 处的弯矩设计值与剪力设计值计算。

11.7.5  剪力墙在偏心受拉时的斜截面抗震受剪承载力应符合下列规定:

Vw≤[(0.4ftbh0-0.1NAw/A)/(λ-0.5)+0.8fyvAshh0/s]/γRE    (11.7.5)

式中:N

——

考虑地震组合的剪力墙轴向拉力设计值中的较大值。

  当公式(11.7.5)右边方括号内的计算值小于 0.8fyvAshh0/s 时,取等于 0.8fyvAshh0/s。

11.7.6 一级抗震等级的剪力墙,其水平施工缝处的受剪承载力应符合下列规定:

Vw≤(0.6fyAs+0.8N)/γRE    (11.7.6)

式中:N

——

考虑地震组合的水平施工缝处的轴向力设计值,压力时取正值,拉力时取负值;

As

——

剪力墙水平施工缝处全部竖向钢筋截面面积,包括竖向分布钢筋、附加竖向插筋以及边缘构件(不包括两侧翼墙)纵向钢筋的总截面面积。

11.7.7  筒体及剪力墙洞口连梁,当采用对称配筋时,其正截面受弯承载力应符合下列规定:

Mb≤[fyAs(h0-as')+fydAsdzsdcosα)]/γRE    (11.7.7)

式中:Mb

——

考虑地震组合的剪力墙连梁梁端弯矩设计值;

fy

——

纵向钢筋抗拉强度设计值;

fyd

——

对角斜筋抗拉强度设计值;

As

——

单侧受拉纵向钢筋截面面积;

Asd

——

单向对角斜筋截面面积,无斜筋时取 0;

zsd

——

计算截面对角斜筋在截面受压区合力点的距离;

α

——

对角斜筋与梁纵轴线夹角;

h0

——

连梁截面有效高度。

11.7.8 筒体及剪力墙洞口连梁的剪力设计值 Vwb 应按下列规定计算:

  1 9 度设防烈度的一级抗震等级框架

Vwb=1.1(Mbual+Mbuar)/ln+VGb    (11.7.8-1)

  2 其他情况

Vwb=ηvb(Mbl+Mbr)/ln+VGb    (11.7.8-2)

式中:Mbual、Mbuar

——

分别为连梁左、右端顺时针或逆时针方向实配的受弯承载力所对应的弯矩值,应按实配钢筋面积(计入受压钢筋)和材料强度标准值并考虑承载力抗震调整系数计算;

Mbl、Mbr

——

分别为考虑地震组合的剪力墙及筒体连梁左、右梁端弯矩设计值。应分别按顺时针方向和逆时针方向计算 Mbl 与 Mbr 之和,并取其较大值。对一级抗震等级,当两端弯矩均为负弯矩时,绝对值较小的弯矩值应取零;

ln

——

连梁净跨;

VGb

——

考虑地震组合时的重力荷载代表值产生的剪力设计值,可按简支梁计算确定;

ηvb

——

连梁剪力增大系数。对于普通箍筋连梁,一级抗震等级取 1.3,二级取 1.2,三级取 1.1,四级取 1.0;配置有对角斜筋的连梁 ηvb 取 1.0。

11.7.9  各抗震等级的剪力墙及筒体洞口连梁,当配置普通箍筋时,其截面限制条件及斜截面受剪承载力应符合下列规定:

  1 跨高比大于 2.5 时

1)受剪截面应符合下列要求:

Vwb≤(0.20βcfcbh0)/γRE    (11.7.9-1)

2)连梁的斜截面受剪承载力应符合下列要求:

Vwb≤(0.42ftbh0+Asvfyvh0/s)/γRE    (11.7.9-2)

  2 跨高比不大于 2.5 时

1)受剪截面应符合下列要求:

Vwb≤(0.15βcfcbh0)/γRE    (11.7.9-3)

2)连梁的斜截面受剪承载力应符合下列要求:

Vwb≤(0.38ftbh0+0.9Asvfyvh0/s)/γRE    (11.7.9-2)

式中:ft

——

混凝土抗拉强度设计值;

fyv

——

箍筋抗拉强度设计值;

Asv

——

配置在同一截面内的箍筋截面面积。

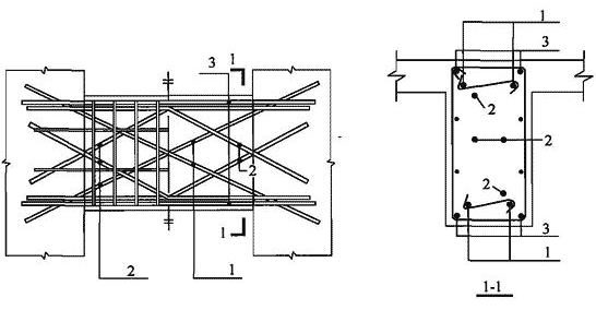
11.7.10 对于一、二级抗震等级的连梁,当跨高比不大于 2.5 时,除普通箍筋外宜另配置斜向交叉钢筋,其截面限制条件及斜截面受剪承载力可按下列规定计算:

  1 当洞口连梁截面宽度不小于 250mm 时,可采用交叉斜筋配筋(图 11.7.10-1),其截面限制条件及斜截面受剪承载力应符合下列规定:

1)受剪截面应符合下列要求:

Vwb≤(0.25βcfcbh0)/γRE    (11.7.10-1)

2)斜截面受剪承载力应符合下列要求:

Vwb≤[0.4ftbh0+(2.0sinα+0.9η)fydAsd)]/γRE    (11.7.10-2)

η=(fsvAsvh0)/(sfydAyd)    (11.7.10-3)

式中:η

——

箍筋与对角斜筋的配筋强度比,当小于 0.6 时取 0.6,当大于 1.2 时取 1.2;

α

——

对角斜筋与梁纵轴的夹角;

fyd

——

对角斜筋的抗拉强度设计值;

Asd

——

单向对角斜筋的截面面积;

Asv

——

同一截面内箍筋各肢的全部截面面积。

图 11.7.10-1 交叉斜筋配筋连梁

1—对角斜筋;2—折线筋;3—纵向钢筋

  2 当连梁截面宽度不小于 400mm 时,可采用集中对角斜筋配筋(图 11.7.10-2)或对角暗撑配筋(图 11.7.10-3),其截面限制条件及斜截面受剪承载力应符合下列规定:

1)受剪截面应符合式(11.7.10-1)的要求。

2)斜截面受剪承载力应符合下列要求:

Vwb≤2fydAsdsinα/γRE    (11.7.10-4)

图 11.7.10-2 集中对角斜筋配筋连梁

1—对角斜筋;2—拉筋

图 11.7.10-3 对角暗撑配筋连梁

1—对角暗撑

11.7.11 剪力墙及简体洞口连梁的纵向钢筋。斜筋及箍筋的构造应符合下列要求:

  1 连梁沿上、下边缘单侧纵向钢筋的最小配筋率不应小于 0.15%,且配筋不宜少于 2φ12;交叉斜筋配筋连梁单向对角斜筋不宜少于 2φ12,单组折线筋的截面面积可取为单向对角斜筋截面面积的一半,且直径不宜小于 12mm;集中对角斜筋配筋连梁和对角暗撑连梁中每组对角斜筋应至少由 4 根直径不小于 14mm的钢筋组成。

  2 交叉斜筋配筋连梁的对角斜筋在梁端部位应设置不少于 3 根拉筋,拉筋的间距不应大于连梁宽度和 200mm 的较小值,直径不应小于 6mm;集中对角斜筋配筋连梁应在梁截面内沿水平方向及竖直方向设置双向拉筋,拉筋应勾住外侧纵向钢筋,间距不应大于 200mm,直径不应小于 8mm;对角暗撑配筋连梁中暗撑箍筋的外缘沿梁截面宽度方向不宜小于梁宽的一半,另一方向不宜小于梁宽的 1/5;对角暗撑约束箍筋的间距不宜大于暗撑钢筋直径的 6 倍,当计算间距小于 100mm 时可取 100mm,箍筋肢距不应大于 350mm。

  除集中对角斜筋配筋连梁以外,其余连梁的水平钢筋及箍筋形成的钢筋网之间应采用拉筋拉结,拉筋直径不宜小于 6mm,间距不宜大于 400mm。

  3 沿连梁全长箍筋的构造宜按本规范第 11.3.6 条和第 11.3.8 条框架梁梁端加密区箍筋的构造要求采用;对角暗撑配筋连梁沿连梁全长箍筋的间距可按本规范表 11.3.6-2 中规定值的两倍取用。

  4 连梁纵向受力钢筋、交叉斜筋伸入墙内的锚固长度不应小于 laE,且不应小于 600mm;顶层连梁纵向钢筋伸入墙体的长度范围内,应配置间距不大于 150mm 的构造箍筋,箍筋直径应与该连梁的箍筋直径相同。

  5 剪力墙的水平分布钢筋可作为连梁的纵向构造钢筋在连梁范围内贯通。当梁的腹板高度 hw 不小于 450mm 时,其两侧面沿梁高范围设置的纵向构造钢筋的直径不应小于 108mm,间距不应大于 200mm;对跨高比不大于 2.5 的连梁,梁两侧的纵向构造钢筋的面积配筋率尚不应小于 0.3%。

11.7.12 剪力墙的墙肢截面厚度应符合下列规定:

  1 剪力墙结构:一、二级抗震等级时,一般部位不应小于 160mm,且不宜小于层高或无支长度的 1/20;三、四级抗震等级时,不应小于 140mm,且不宜小于层高或无支长度的 1/25。一、二级抗震等级的底部加强部位,不应小于 200mm,且不宜小于层高或无支长度的 1/16,当墙端无端柱或翼墙时,墙厚不宜小于层高或无支长度的 1/12。

  2 框架-剪力墙结构:一般部位不应小于 160mm,且不宜小于层高或无支长度的 1/20;底部加强部位不应小于 200mm,且不宜小于层高或无支长度的 1/16。

  3 框架-核心筒结构、筒中筒结构:一般部位不应小于 160mm,且不宜小于层高或无支长度的 1/20;底部加强部位不应小于 200mm,且不宜小于层高或无支长度的 1/16。筒体底部加强部位及其上一层不宜改变墙体厚度。

11.7.13 剪力墙厚度大于 140mm 时,其竖向和水平向分布钢筋不应少于双排布置。

11.7.14 剪力墙的水平和竖向分布钢筋的配筋应符合下列规定:

  1 一、二、三级抗震等级的剪力墙的水平和竖向分布钢筋配筋率均不应小于 0.25%;四级抗震等级剪力墙不应小于 0.2%;

  2 部分框支剪力墙结构的剪力墙底部加强部位,水平和竖向分布钢筋配筋率不应小于 0.3%。

注:对高度小于 24m 且剪压比很小的四级抗震等级剪力墙,其竖向分布筋最小配筋率应允许按 0.15%采用。

注:1 《混凝土结构通用规范》(GB 55008—2021)废止的现行工程建设标准相关强制性条文。

  2 第 4.4.7 条第 1、3、4 款取代。

11.7.15 剪力墙水平和竖向分布钢筋的间距不宜大于 300mm,直径不宜大于墙厚的 1/10,且不应小于 8mm 竖向分布钢筋直径不宜小于 10mm。部分框支剪力墙结构的底部加强部位,剪力墙水平和竖向分布钢筋的间距不宜大于 200mm。

11.7.16 一、二、三级抗震等级的剪力墙,其底部加强部位的墙肢轴压比不宜超过表 11.7.16 的限值。

表 11.7.16 剪力墙轴压比限值

抗震等级(设防烈度)

一级(9 度)

一级(7、8 度)

二级、三级

轴压比限值

0.4

0.5

0.6

注:剪力墙肢轴压比指在重力荷载代表值作用下墙的轴压力设计值与墙的全截面面积和混凝土轴心抗压强度设计值乘积的比值。

11.7.17 剪力墙两端及洞口两侧应设置边缘构件,并宜符合下列要求:

  1 一、二、三级抗震等级剪力墙,在重力荷载代表值作用下,当墙肢底截面轴压比大于表 11.7.17 规定时,其底部加强部位及其以上一层墙肢应按本规范第 11.7.18 条的规定设置约束边缘构件;当墙肢轴压比不大于表 11.7.17 规定时,可按本规范第 11.7.19 条的规定设置构造边缘构件;

表 11.7.17 剪力墙设置构造边缘构件的最大轴压比

抗震等级(设防烈度)

一级(9 度)

一级(7、8 度)

二级、三级

轴压比限值

0.1

0.2

0.3

  2 部分框支剪力墙结构中,一、二、三级抗震等级落地剪力墙的底部加强部位及以上一层的墙肢两端,宜设置翼墙或端柱,并应按本规范第 11.7.18 条的规定设置约束边缘构件;不落地的剪力墙,应在底部加强部位及以上一层剪力墙的墙肢两端设置约束边缘构件;

  3 一、二、三级抗震等级的剪力墙的一般部位剪力墙以及四级抗震等级剪力墙,应按本规范第 11.7.19 条设置构造边缘构件;

  4 对框架-核心筒结构,一、二、三级抗震等级的核心筒角部墙体的边缘构件尚应按下列要求加强:底部加强部位墙肢约束边缘构件的长度宜取墙肢截面高度的 1/4,且约束边缘构件范围内宜全部采用箍筋;底部加强部位以上宜按本规范图 11.7.18 的要求设置约束边缘构件。

11.7.18 剪力墙端部设置的约束边缘构件(暗柱、端柱、翼墙和转角墙)应符合下列要求(图11.7.18):

  1 约束边缘构件沿墙肢的长度 lc 及配箍特征值 λv 宜满足表 11.7.8 的要求,箍筋的配置范围及相应的配箍特征值 λv 和 λv/2 的区域如图 11.7.18 所示,其体积配筋率 ρv 应符合下列要求:

ρv≥λvfc/fyv    (11.7.18)

式中:λv

——

配箍特征值,计算时可计入拉筋。

图 11.7.18 剪力墙的约束边缘构件

注:图中尺寸单位为 mm。

1—配箍特征值为 λv 的区域;2—配箍特征值为 λv/2 的区域

  计算体积配箍率时,可适当计入满足构造要求且在墙端有可靠锚固的水平分布钢筋的截面面积。

  2 一、二、三级抗震等级剪力墙约束边缘构件的纵向钢筋的截面面积,对图 11.7.18 所示暗柱、端柱、翼墙与转角墙分别不应小于图中阴影部分面积的 1.2%、1.0%和 1.0%。

  3 约束边缘构件的箍筋或拉筋沿竖向的间距,对一级抗震等级不宜大于 100mm,对二、三级抗震等级不宜大于 150mm。

表 11.7.18 约束边缘构件沿墙肢的长度 lc 及其配箍特征值 λv

抗震等级(设防烈度)

一级(9 度)

一级(7、8 度)

二级、三级

轴压比

≤0.2

>0.2

≤0.3

>0.3

≤0.4

>0.4

λv

0.12

0.20

0.12

0.20

0.12

0.20

lc
(mm)

暗柱

0.20hw

0.25hw

0.15hw

0.20hw

0.15hw

0.20hw

端柱、翼墙或转角墙

0.15hw

0.20hw

0.10hw

0.15hw

0.10hw

0.15hw

注:1 两侧翼墙长度小于其厚度 3 倍时,视为无翼墙剪力墙;端柱截面边长小于墙厚 2 倍时,视为无端柱剪力墙;

  2 约束边缘构件沿墙肢长度 lc 除满足表 11.7.18 的要求外,且不宜小于墙厚和 400mm;当有端柱、翼墙或转角墙时,尚不应小于翼墙厚度或端柱沿墙肢方向截面高度加 300mm;

  3 hw 为剪力墙的墙肢截面高度。

11.7.19 剪力墙端部设置的构造边缘构件(暗柱、端柱、翼墙和转角墙)的范围,应按图 11.7.19 确定,构造边缘构件的纵向钢筋除应满足计算要求外,尚应符合表 11.7.19 的要求。

图 11.7.18 剪力墙的构造边缘构件

注:图中尺寸单位为 mm。

表 11.7.19 构造边缘构件的构造配筋要求

抗震
等级

底部加强部位

其他部位

纵向钢筋
最小配筋量
(取较大值)

箍筋、拉筋

纵向钢筋
最小配筋量
(取较大值)

箍筋、拉筋

最小直径
(mm)

最大间距
(mm)

最小直径
(mm)

最大间距
(mm)

0.01Ac,6φ16

8

100

0.008Ac,6φ14

8

150

0.008Ac,6φ14

8

150

0.006Ac,6φ12

8

200

0.006Ac,6φ12

6

150

0.005Ac,4φ12

6

200

0.005Ac,4φ12

6

200

0.004Ac,4φ12

6

200

注:1 Ac 为图 11.7.19 中所示的阴影面积;

  2 对其他部位,拉筋的水平间距不应大于纵向钢筋间距的 2 倍,转角处宜设置箍筋;

  3 当端柱承受集中荷载时,应满足框架柱的配筋要求。