前一页 上一层 后一页

8.3 柱下条形基础

8.3.1 柱下条形基础的构造,除应符合本规范第 8.2.1 条的要求外.尚应符合下列规定:

  1 柱下条形基础梁的高度宜为柱距的 1/4~1/8。翼板厚度不应小于 200mm。当翼板厚度大于 250mm 时,宜采用变厚度翼板,其顶面坡度宜小于或等于 1:3。

  2 条形基础的端部宜向外伸出,其长度宜为第一跨距的 0.25 倍。

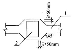
图 8.3.1 现浇柱与条形基础梁交接处平面尺寸

1—基础粱;2—柱

  3 现浇柱与条形基础梁的交接处,基础梁的平面尺寸应大于柱的平面尺寸,且柱的边缘至基础梁边缘的距离不得小于 50mm(图8.3.1)。

  4 条形基础粱顶部和底部的纵向受力钢筋除应满足计算要求外,顶部钢筋应按计算配筋全部贯通,底部通长钢筋不应少于底部受力钢筋截面总面积的 1/3。

  5 柱下条形基础的混凝土强度等级,不应低于 C20。

8.3.2 柱下条形基础的计算,除应符合本规范第 8.2.6 条的要求外,尚应符合下列规定:

  1 在比较均匀的地基上,上部结构刚度较好,荷载分布较均匀,且条形基础梁的高度不小于 1/6 柱距时,地基反力可按直线分布,条形基础梁的内力可按连续梁计算,此时边跨跨中弯矩及第一内支座的弯矩值宜乘以 1.2 的系数。

  2 当不满足本条第 1 款的要求时,宜按弹性地基梁计算。

  3 对交叉条形基础,交点上的柱荷载,可按静力平衡条件及变形协调条件.进行分配。其内力可按本条上述规定,分别进行计算。

  4 应验算柱边缘处基础梁的受剪承载力。

  5 当存在扭矩时,尚应作抗扭计算。

  6 当条形基础的混凝土强度等级小于柱的混凝土强度等级时,应验算柱下条形基础梁顶面的局部受压承载力。